Skip to main content

10Base-T1L SPE를 통한 IIoT 네트워크 최적화 방법

산업용 제어 및 네트워킹 애플리케이션은 주로 더 빠른 속도 또는 더 특수한 성능의 활용 사례를 지원하는 독자적 기술의 4mA ~ 20mA 및 필드버스 연결에 의존해 왔습니다. 산업용 사물 인터넷(IIoT)과 데이터 중심 애플리케이션이 등장함에 따라 센서, 액추에이터, 컨트롤러 디바이스 밀도와 성능 기준이 사상 최고조에 달한 최근까지도, 이 솔루션은 많은 산업용 애플리케이션에 잘 적용되어 왔습니다. IIoT 애플리케이션의 새로운 기능과 활용 사례는 필드버스 네트워크의 10Mbps 제한으로 인해 많은 제약을 받고 있으며, 점점 더 증가하는 수요에 따른 간극을 다른 산업용 네트워킹 기술을 통해 메울 필요가 있다는 목소리가 커지고 있습니다. 이러한 상황을 고려할 때 단일쌍 이더넷(single-pair Ethernet, SPE)을 지원하는 10Base-T1L은 더 높은 데이터 전송 속도가 필요한 많은 4mA ~ 20mA 및 필드버스 시스템을 대체할 수 있는 유망한 기술입니다. 또한 이 기술은 전력 공급 및 기타 다양한 매력적인 기능도 지원합니다. 물론 이 새로운 기술은 공통 모드 초크(common-mode choke, CMC), 절연 인덕터 및 차동 모드 인덕터(differential mode inductor, DMI)에 대한 다양한 구성 요소들을 필요로 합니다.

-

이번 포스트에서는 산업용 애플리케이션에 10Base-T1L과 SPE를 사용하는 방법과 이 페어링을 통해 산업용 네트워크 성능을 획기적으로 개선하고 최신 IIoT 기술을 활용하는 방법에 대해 알아보겠습니다. 이와 함께 10Base-T1L 및 SPE 구현을 위한 레퍼런스 디자인과 구성 요소 요구 사항도 살펴보겠습니다.

-

10Base-T1L SPE를 통한 IIoT 네트워크 최적화 방법 (출처: Atchariya63- stock.adobe.com)

-

이더넷과 10Base-T1L

SPE는 IEEE 802.3에 정의된 유선 통신 표준으로, 기본 이더넷 표준을 단일 트위스트 와이어 쌍을 가지고 사용할 수 있도록 효과적으로 변환합니다. PoDL(Power over Data Line)은 전력과 통신에 필요한 배선을 최소화하기 위해 통신에 사용되는 동일한 회선을 이용해 전력을 전송하는 표준입니다. 10Base-T1L은 산업용 애플리케이션에서는 1000미터, 자동차 또는 항공 애플리케이션에서는 15미터에 걸쳐 최대 10Mbps를 전송할 수 있습니다. 10Base-T1L은 IEEE 802.3cg에 정의되어 있으며 0.1 ~ 20MHz의 대역폭을 지원합니다.

-

PoDL은 원래 자동차 및 이와 유사한 애플리케이션에 최적화된 것이며, 일반적인 이더넷 애플리케이션에는 PoE(Power over Ethernet)가 사용되었습니다. IEEE 802.3의 104항에 따라 PoDL은 주로 빌딩 자동화 및 산업용 네트워킹 시스템을 위해 SPoE 전력 등급 10~15를 사용하는 10Base-T1S/T1L로 확장되었습니다. SPoE 전력 등급은 IIoT 네트워크와 같은 운영 기술(OT) 네트워크용으로 정의됩니다. SPoE는 각각 20, 24 또는 30VDC를 사용하는 장, 중, 단 케이블에 대해 Class 10, 11, 12를 정의했습니다. Class 13, 14 및 15는 각각 50, 55 및 58VDC를 사용하는 장, 중, 단 케이블에 대해서도 정의되어 있습니다. SPoE는 PoDL처럼 규제 또는 비규제 등급이 없으므로 1.23W ~ 52W의 전력을 공급할 수 있습니다(표 1).

-

표 1. 10Base-T1L 및 SPoE에 대한 IEEE 802.3 cg 전력 등급. (출처: EPCOS / TDK)

-

본질적으로 산업용 이더넷과 상업용 이더넷은 동일한 프로토콜이지만, 각 프로토콜의 통신을 전달하는 데 사용되는 하드웨어는 완전히 다릅니다. 산업용 이더넷은 신뢰성, 내화학성, 내화성, 고온/저온 작동 온도 범위 및 기타 요소를 고려해야 하는 극한 환경에 더 최적화된 보다 견고한 하드웨어를 선호합니다. 대부분의 경우, 상용 이더넷 하드웨어는 산업 환경의 특성으로 인해 수명이 제한되고 조기 고장이 발생할 가능성이 있어 산업용 이더넷 애플리케이션에 적합하지 않습니다.

-

또한 10Base-T1L과 같은 기술은 자동차, 산업 및 빌딩 자동화 애플리케이션을 위해 특별히 설계되었으며, 상업용 이더넷보다 이러한 환경의 활용 사례에 더 적합한 하드웨어 옵션 제품군을 지원합니다. 상업용 이더넷 설치의 경우 시설 전체의 IT 네트워킹 하드웨어에서 고속 이더넷 케이블을 실행하는 게 유리할 수 있지만, 산업용 애플리케이션은 케이블 부피를 최소화하고 불필요한 케이블을 추가하지 않고 기존 배선 인프라와의 호환성을 위해 PoDL/SPoE를 사용하여 소형 SPE를 실행하는 것이 더 많은 이점을 얻을 수 있을 것입니다. 다행히 10Base-T1L SPoE 시스템은 단말에서 클라우드에 이르기까지 센서, 액추에이터 또는 제어 하드웨어에 IT/OT 연결 및 전원을 제공할 수 있습니다.

-

10Base-T1L SPoE 구현 방법

10Base-T1L SPoE를 구현하려면 최소한 공통 모드 초크(CMC)를 사용해야 하지만 애플리케이션에 따라 차동 모드 인덕터(DMI) 및 갈바닉 절연 변압기도 필요할 수 있습니다. 애플리케이션에서 제어 트랜시버와 최종 디바이스 간의 데이터 전송만 필요한 경우, 연선 케이블과 PHY/LPF 컨트롤러 사이에 CMC가 필요합니다. 동일한 연선 케이블로 전력과 데이터를 전송해야 하는 경우, 전원 장비(power source equipment, PSE: VCC 및 GND 단일 종단선)를 연선 케이블에 브리징하기 위해 DMI도 필요하며, 이는 CMC 전에 수행하는 것이 가장 좋습니다. 마지막으로, 안전상의 중대한 이슈가 있을 수 있다면 갈바닉 절연이 필요한 경우가 많습니다. 이를 위해 제어 및 최종 디바이스 하드웨어 모두에 대해 PHY/LPF와 다운스트림 회로 사이에 추가적인 절연 변압기가 필요합니다.

-

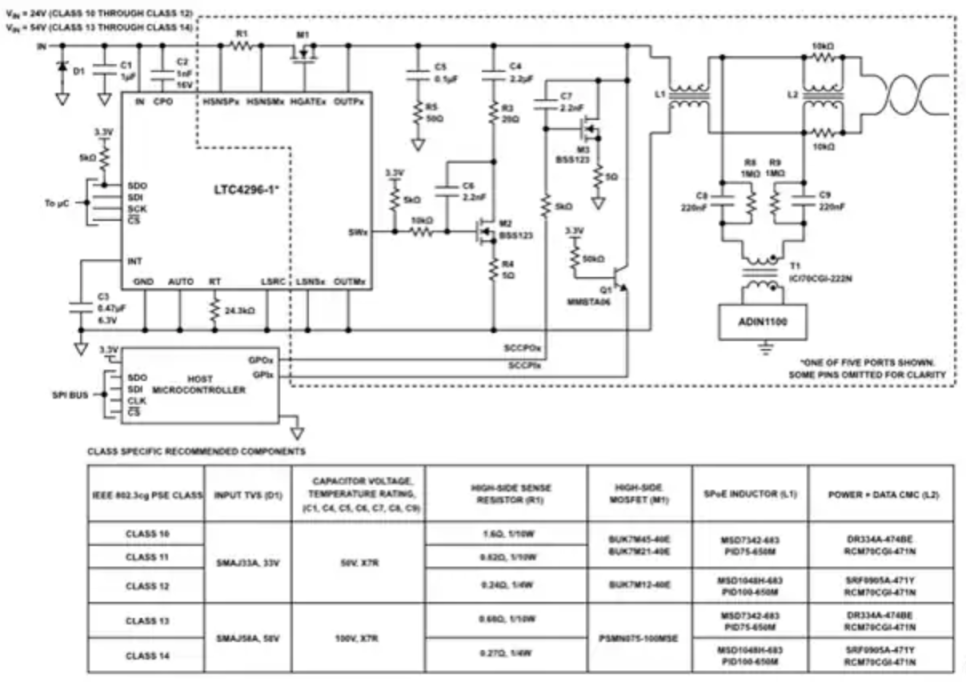
그림 1은 Class 10-14 애플리케이션을 위한 802.3cg 호환 회로에서 DMI 및 CMC 부품을 가장 잘 배치할 수 있는 위치를 보여줍니다. 이 레퍼런스의 전력과 데이터는 전력 결합 네트워크(power coupling network, PCN)를 통해 매체 종속 인터페이스(medium-dependent interface, MDI)에서 함께 결합됩니다. DC 전원은 그림 2의 L1에서 볼 수 있듯이 DMI를 통해 SPoE 라인에 결합됩니다. L2에서 볼 수 있는 CMC는 MDI에서 공통 모드 차단을 제공합니다. 최대 전력 등급에 대해 IEEE 802.3cg에 나열된 반사 손실, 모드 변환 및 드룹 사양을 충족하도록 DMI(L1) 및 CMC(L2) 값을 선택하는 것이 중요합니다.

-

그림 1. 산업용 SPE 애플리케이션에서 필요한 경우 차동 모드 인덕터(DMI), 공통 모드 초크(CMC) 및 갈바닉 절연 변압기를 배치할 위치를 보여주는 10Base-T1L SPoE 블록 다이어그램. (출처: EPCOS / TDK)

그림 2. 다양한 전력 레벨을 위한 권장 SPoE 인덕터 및 전력 + 데이터 공통 모드 초크(CMC)를 갖춘 LTC4296-1 802.3cg Class 10 ~ 14 레퍼런스 디자인 (출처: 아나로그디바이스(Analog Devices))

-

제조사에 따르면 그림 2의 접근 방식은 Class 10 ~ 14 10Base-T1L SPoE 애플리케이션에 권장되는 접근 방식으로, PHY 측 PCN 토폴로지를 사용하여 CMC(L2)의 PHY 측 DMI(L1)를 통해 전력을 주입하는 방식이 권장됩니다. 이렇게 하면 전력과 데이터가 모두 CMC를 통과할 수 있습니다. Class 15의 경우, 전력 및 데이터 경로 모두에 대해 별도의 CMC가 있는 DMI를 통해 라인 측에 전력을 주입하는 것이 좋습니다. EPCOS / TDK 산업용 단일 전력 이더넷(Single Power Ethernet, SPE) 인덕터는 이러한 애플리케이션에 매우 적합하므로 SPoE PSE 컨트롤러 애플리케이션에 사용할 것을 권장합니다. 이러한 산업용 SPE 인덕터는 산업용 SPE 애플리케이션에 적합한 전류, 전압 및 인덕턴스 사양으로 설계되었으며 -40°C ~ +125°C 범위의 작동 온도에 대해 ROHS를 준수합니다. EPCOS/TDK는 산업용 SPE/SPoE 애플리케이션을 위해 특별히 제작된 RCM70CGI-471 CMC, ICI70CGI 절연 인덕터 및 PID SMD 전력 인덕터를 제공합니다.

산업 자동화가 더 많은 전력과 인트라넷 및 클라우드와의 호환성을 요구하는 더 높은 데이터 전송률 장치를 포함하도록 확장됨에 따라, 새롭게 등장하는 여러 IIoT 기기에 데이터 전송 및 전력을 제공하기 위한 산업용 이더넷 솔루션에 대한 수요가 커지고 있습니다. 10Base-T1L은 이러한 레거시 및 기타 상용 이더넷 솔루션을 능가하는 더 높은 데이터 속도, 데이터 라인을 통한 전력 및 추가 기능을 지원하므로 레거시 4mA ~ 20mA 및 필드버스 연결을 대체할 수 있는 유력한 후보입니다.